ÜRÜN AÇIKLAMA
Çok yüksek hassasiyete sahip bu bilyalı kızak şu özellikleriyle öne çıkmaktadır:
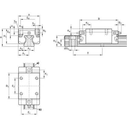
Yapı boyutu 45
SNH yapı şekli: Genişlik = Dar, Uzunluk = Normal, Yükseklik = Yüksek
Karbon çelikten kılavuz kızağı gövdesi CS
Öngerme sınıfı C0: Öngerilme yok
Doğruluk sınıfı H: Yüksek
Bilyalı zincirsiz
İlk gresleme yapılmış ve koruyucu uygulanmış
Makaralı rulman gresi Dynalub 510
Sol ön elemansız (ön dayanak kenarı)
Sağ ön elemansız (ön dayanak kenarı)
Düz yağlama bağlantısı monte edilmemiş olarak verilmiştir.
Standart modelde kılavuz kızağı
Kılavuz kızağı toplam uzunluğu = 137,6 mm
Değiştirilebilir: Kılavuz kızağı ve kılavuz raylar tüm doğruluk sınıflarında birbiri ile dilendiği gibi kombine edilebilir.
Kullanım alanı: Çapraz yönde montaj alanı kısıtlı ise ve yüksek sertlik düzeyi gerekiyorsa
SNS’den daha yüksek sertlik
Çok daha az sürtünme kuvveti oynamaları ve düşük sürtünme kuvveti seviyesi, özellikle dış yük altında
Azami hassaslık
Patentli giriş alanı sayesinde çalışma doğruluğu faktörü altıya ulaşmaktadır
Kullanım alanı: Enine yönde montaj alanı kısıtlı ise ve yüksek sertlik düzeyi gerekiyorsa
SNS’den daha yüksek sertlik
Çok daha az sürtünme kuvveti oynamaları ve düşük sürtünme kuvveti seviyesi, özellikle dış yük altında
Azami hassaslık
Patentli giriş alanı sayesinde çalışma doğruluğu faktörü altıya ulaşmaktadır
Tüm yük yönlerinde yüksek sertlik – bu nedenle tek kızak olarak da kullanılabilir
Yüksek tork dayanımı
Her doğruluk sınıfı içerisinde tüm kılavuz ray modellerinin tüm bilyalı kızak versiyonları ile dilendiği gibi kombine edilebilmesi sayesinde sınırsız değiştirilebilirlik
Uzun yıllar boyunca etkisini koruyan uzun ömürlü yağlama mümkündür
Tüm ek parçalar için ön tarafta tespitleme vida dişli
En iyi şekilde tasarlanmış bilya yönlendirmesi ve kılavuzu sayesinde sakin, yumuşak çalışma
Farklı öngerilme sınıfları
En iyi dinamik değerleri
Tüm SNS/SNO tipi bilyalı raylar için uygundur
Bilyalı kızak – fabrika tarafından ilk greslemesi yapılmıştır



