ÜRÜN AÇIKLAMA
Flanşlı tekli somun FEM-E-B; standart conta ve standart eksenel boşluk ile
Anma çapı d0 = 16
Hatve P = 10 (sağ)
Bilya çapı Dw = 3
Dönüş sayısı i = 3
Öngerilme sınıfı: C0, C00, C1, C2, C3
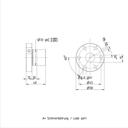
DIN 69051, Bölüm 5 benzeri bağlantı ölçüleri, flanş formu B.
Contalar ile
Kısmen sol modelde


